Hammond T-Series Modifications

Zurück zum Keyboardpartner Shop

Overview

General information about my mods

Skill 1

Simple But Effective

Skill 2

Advanced formula

Skill 3

Getting most of your stock

Skill 4

Let the tubes glow!

Skill 5

Choppin' and Dumpin'

MIDIvice

MIDIfy your organ!

Service

Tips and Schematics

Get rid off that dreaded "click filter" on the recovery and intermediate amp board to obtain a B3-like frequency response - and touch-response percussion too!

 

Fight the Cheese

  • To get a brighter organ with even more click and "punch", the Miller integrator filter capacitors on all busbar summing amp stages could be removed. This flattens the frequency response by removing the first -6dB/Oct filter. But: It will require a modification of the recovery/intermediate amplifier as seen below, otherwise the organ will have a too shrill and harsh sound. This is not what you want. A little more on the upper end is fine, but too much will sound "cheesy" and unpleasant, too less will sound dull and boring. If you want to try it, remove all 9 Miller filter capacitors for drawbar 1 (16') to drawbar 9 (1'). These are the parts "red X" on photo below, numbered C238, ... also marked red and green on upper bus amplifier PCB layout, same for lower bus amplifier PCB schematic and layout.

.

  • Matti Kari from Finland got me aware of this problem: If you remove all filter caps from busamps, vibrato might begin to distort in higher frequencies when there's more than two keys pressed at the same time. Oops! I did not experience this problem, but lowering R806 on the vibrato recovery board 124-000018 from 47k to 33k or 22k should help. If problem persists, raising value of R803 to 1k or 1k2 should definitely solve the problem. Readjusting of R821 (trimpot) may be necessary.

Bass Improvement

All upper and lower bus amplifier stages feature a bass rolloff to eliminate crosstalk and to remove "dirt" from the single drawbar sound. An absolutely great improvement for an authentic "vintage" sound (which has all the "dirt", i.e. bass crosstalk and noise even on higher drawbars) could be achieved by removing this bass rolloff. This gives a linear frequency response up to the drawbars, like found in M3, M100 and all classic consoles, and retains all the "dirt" we love in vintage Hammonds. This was a great tip from Kon Zissis (Thanks, Kon!)

  •  replace all capacitors in the row C240, C236, C232... (brown/orange mylar caps) by electrolytics 10uF/40V, anode (plus) pointig to the transistors (up). Change R247 from 150 to 82 Ohms. Replace all electrolytics in row C237, C233, C229...by 47uF/25V electrolytics, anode pointing up.
  • Same procedure for lower manual busamps (other item numbers, though, but similar part locations).

Filter Flattening

Frequency response and tonal balance is essential to "the Hammond Sound". The secret lies in a smooth low pass filtering instead of the heavy -12dB/Oct and more for the stock T-spinetts and by emphasising the lower midrange around 200 Hz. The heavy filtering was done because spinets have no "manual tapering" (getting a proper tonal balance through different resistor values in the manual wiring) and key click was assumed to be a fault in the later years. While the B-3's AO-28 preamp has only a slight volume decrease to higher notes, T-Series spinetts are more radical and cut off any higher harmonics and "noise" (i.e. click).

On the other hand, the M-3 or M-100 organs are nice sounding, with a definive key click and very nice "bottom", without tapering at all. Getting a M-100 sound out of your T-Series is pretty easy. First look at the frequency response of the AO-29 (used in M-100 and M-3) or Preamp, drawbar to LS output, measured in my workshop (blue line on diagram below), or have a look on the B-model overall frequency response (very "aged" diagram) on my tech info page to have an idea what will sound "smooth":

:img1.gif

As you can see, there is an emphasis on the lower midrange from 80 Hz to 300 Hz and a rolloff to the upper mids. Actually, the rolloff is much less when the amp is measured on the bench with a low-impedance audio generator because of the matching transformer's output impedance (see this Excel spreadsheet for details), but it makes clear what we need: A filter response that matches the AO-28 frequency response.

Filter Issues

First remove the Miller integrator filter capacitors on the bus amp stages and remove bass rolloff, as seen above. Now the dreaded "click filter" on the recovery/intermediate amp board has to be replaced for a AO-28-like frequency response. The recovery and intermediate amp board is located behind the vibrato tabs. Refer to parts marked green on recovery/intermediate amplifier PCB schematics and layout. Print out this schematic for a better understanding, or click pictures below to enlarge. With this modification, you'll get a frequency response like the violet line in the diagram above.

Changes to the recovery/intermediate amplifier, new values in red.

Parts to be changed on the recovery/intermediate amplifier PCB are marked green.

  • Remove R861 (100 kOhms)
  • Remove C863 and C864.
  • Remove C861 and C862 and replace both with 22 nF/250V.
  • Remove C860. Replace with 100 kOhms resistor.
  • Replace C865 with 220pF capacitor for more treble (violet frequency response) or not (alike the blue frequency response line).
  • For more "body" and bass response (the T-series sound a little flat on the lower notes), replace the two big orange capacitors C853 and C856 (220nF) on the right side with 470nF capacitor and 4.7 kOhm resistor in series.

 

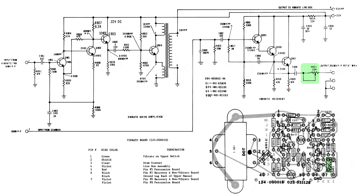
  • Bridge resistor R821 (picture below, may be a fixed or a adjustable resistor, directly connected to terminal pin 7) on the vibrato recovery board (the one with the little transformer on it) with a capacitor 1,8 nF for a better click when vibrato is ON. You may use the obsolete C860 from above for this

.

T-100 vibrato preamp board with R821

Percussion Improvement

The multi-triggered percussion is very annoying to the jazz organ player. Since there are at least 3 different versions of percussion PCBs made by Hammond, there is no simple PCB mod which works on every spinett to get a classic "touch response" percussion. Anyway, the percussion settings on some T-Series are way too long, even if you prefer the "piinngggg" of the M-100 (like me) over the "pip" of a B3.

  • Quick fix for T-5xx series organs with percussion board #124-000170: Remove C517 (0.15 uF), replace by wire. Remove C509 (0.082 uF), replace by wire. Remove R538 (27 KOhm). Replace R539 (1 MOhm) by 3.3 MOhm. Remove R541 (22 kOhm). Replace transistors Q512 and Q513 by PNP types (BC557 or equivalent), but: Emitter wire in C hole, Collector wire in E hole (reverse polarity) on both. Remove C511. Replace C510 (10 uF) with 4.7 uF (longer percussion decay) or 3.3 uF (shorter decay), rated at 35V. Works fine on all my T-500 mods. Background: This converts the busbar transient amplifier into a emitter follower which just responds to the first pressed key.
  • Quick fix for T-100/200 series organs with thyristor percussion board (commonly used on these organs): Remove brown 0.082 uF capacitor next to red wire from board, solder a 0.022 uF capacitor to the back side exactly as shown (see photo).

 

  • When you're at it, shorten percussion length by replacing 1 MOhm resistor located at "Reiteration" switch by 330 kOhm (or solder in parallel) for a shorter "fast" percussion setting and 3.3 MOhm by 820 kOhm for a shorter "long" percussion setting (T-100 and T-200 only).

  • OR, if you have a different percussion board: Add a transistor circuit that eliminates multi-triggering percussion. This little circuit has to be inserted between the white or white/red cable from the percussion busbar to pin 15 (some early organs on pin 2, see organ schematics) of the percussion PCB. Needs +Ub supply from percussion board (yellow or red cable, check with voltmeter). May be build on a breadboard. Again a hint from Matti: On some percussion boards, the pin numbers are not the same than in here. +22V is available on pin 5/6 or 16/17 on early organs (refer to organ schematics). Ground is easiest obtained from pin 1. The diagram states pin 2 as percussion rail input, but should read as pin 15 in most cases as mentioned above.

Now play your organ. Pretty well, is'nt it? But hey -- the percussion voices still suck. "Celesta" is usable, but "Geeetar"?

So proceed to Skill 3.